DESCRIPTION DU PROBLÈME
Une pièce faite d’acier UNS G 10150 étiré à froid est soumise à l’action alternée d’une force F de 500 N, ce qui engendre des contraintes alternées complètement renversées. Pour un facteur de sécurité égal à 2 et une fiabilité de 95%, évaluer l’épaisseur nécessaire pour que la durée de vie de cette pièce soit infinie..

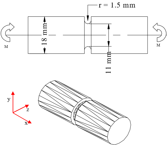
DESCRIPTION DU PROBLÈME
Un arbre est fait d’acier UNS G 92550 laminé à chaud et poli. Il tourne et il est soumis à l’action d’un moment fléchissant constant. Pour un facteur de sécurité égal à 2 et une durée de vie de 100 000 cycles, déterminer la valeur du moment maximal qu’on peut appliquer.
