Posted in

Exercices algèbre de boole, circuits logiques et la méthode Quine-McCluskey

 Exercice 1 – Algèbre de Boole

 



Exercice 2 – Analyse et synthèse de circuits

 
1)  En considérant que les portes XOR et XNOR à N entrées ont un coût 2N, calculer le coût des fonctions X, Y et Z telles qu’elles ont été implémentées.
 

Coût de  X(A, B, C, D) = (3+1) + (2+2) = 8
Coût de  Y(A, B, C, D) = (3+1) + (2+2) = 8
Coût de  Z(A, B, C, D) = 8 + 8 + 2?2 = 20

2)  Trouver l’expression disjonctive simplifiée de X au moyen de la table de Karnaugh.
Évaluer son coût minimal.
Exercices algèbre de boole

3)  Trouver l’expression conjonctive simplifiée de Y au moyen de la table de Karnaugh.
Évaluer son coût minimal.

Exercices algèbre de boole

4)  Trouver l’expression conjonctive simplifiée de Z en vous basant sur les résultats précédents. Évaluer le coût minimal de cette implémentation.

Exercices algèbre de boole

5)  Dessinez le circuit optimisé.

Exercices algèbre de boole

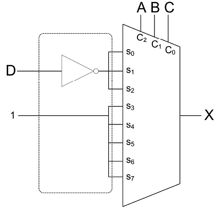
Exercice 3 – Circuits avec mux/démux

1) Trouver l’expression algébrique de X sous la forme d’un produit de sommes :

Exercices algèbre de boole

2) Donner la table de Karnaugh à variable inscrite de X sans simplifier (inscrire D) :

Exercices algèbre de boole

3) Dessiner dans la zone en pointillés le circuit permettant d’obtenir X en sortie

Exercices algèbre de boole

Exercice 4 – Quine-McCluskey

1) Retranscrire les  maxterms de la fonction F sous forme binaire en soulignant les maxterms facultatifs :

Exercices algèbre de boole

2) Procéder par la méthode Quine-McCluskey pour simplifier la fonction F(A,B,C,D) et identifier les impliqués premiers

Exercices algèbre de boole

3) Utiliser la table suivante pour identifier les impliqués essentiels de F(A,B,C,D)

Exercices algèbre de boole
4) Les impliqués essentiels couvrent-ils l’ensemble des maxterms ? Si oui, donner l’expression conjonctive simplifiée de la fonction F(A,B,C,D). Autrement, suggérer une solution et donner l’expression conjonctive simplifiée de la fonction F(A,B,C,D) ainsi
obtenue.

L’impliqué essentiel ne suffit pas à couvrir l’ensemble des maxterms. Nous utilisons la méthode de Petrick pour terminer.

Exercices algèbre de boole

5) Confirmer votre résultat en utilisant une table de Karnaugh

Exercices algèbre de boole

Laisser un commentaire

Votre adresse e-mail ne sera pas publiée. Les champs obligatoires sont indiqués avec *